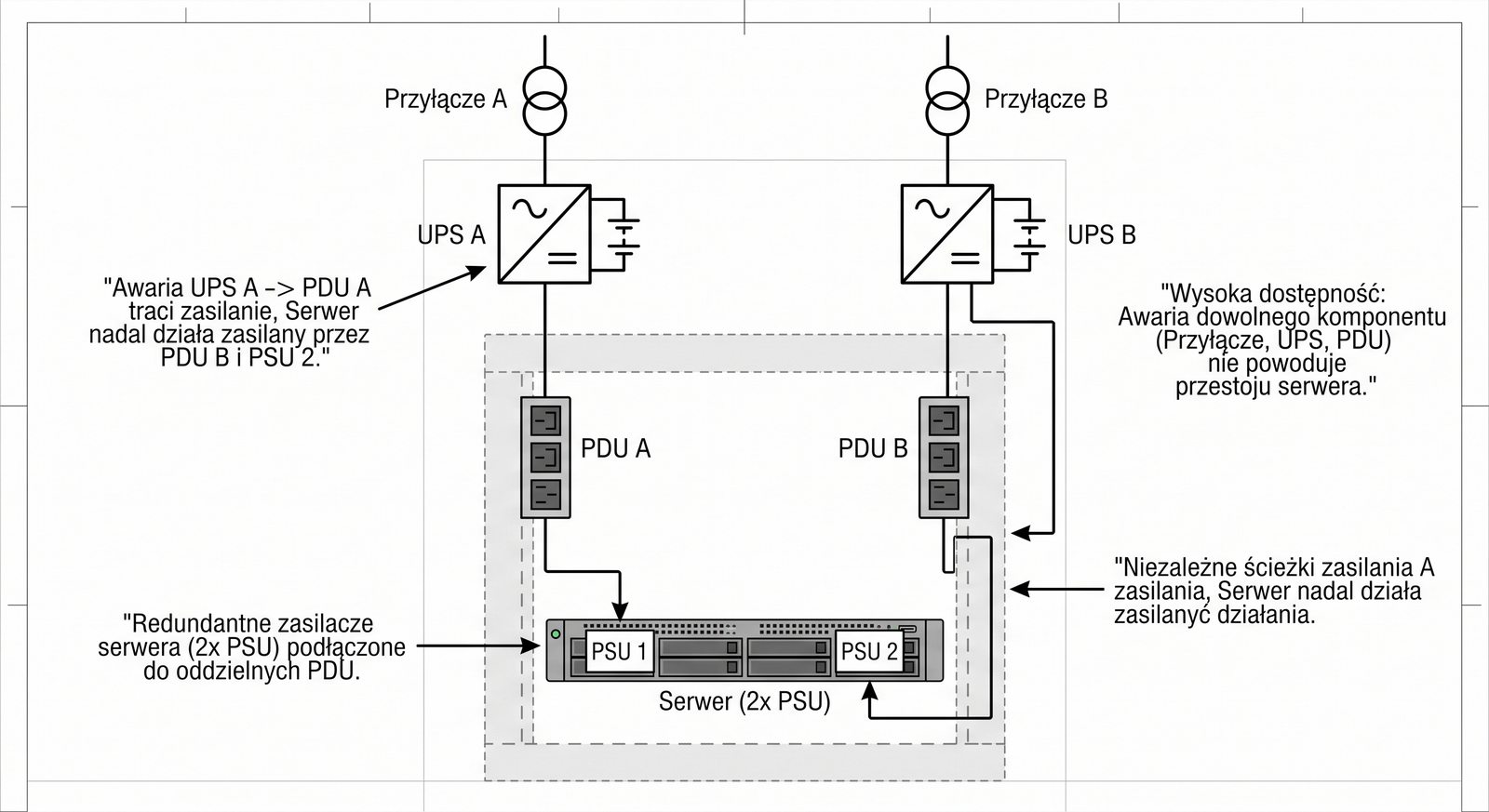
Nawet najnowocześniejsza i najszybsza sieć jest bezużyteczna bez stabilnego i niezawodnego zasilania. W tym module zajmiemy się krwiobiegiem każdej infrastruktury IT – systemem zasilania. Omówimy, jak prawidłowo planować zapotrzebowanie na moc, projektować zasilanie awaryjne oraz jak fizycznie rozplanować elementy w szafach i pomieszczeniach, aby zapewnić optymalne chłodzenie, bezpieczeństwo i łatwość zarządzania.
















